大余縣林業局2019年度部門決算
目錄
第一部分部門概況
一、部門主要職責
二、部門基本情況
第二部分2019年度部門決算表
一、收入支出決算總表
二、收入決算表
三、支出決算表
四、財政撥款收入支出決算總表
五、一般公共預算財政撥款支出決算表
六、一般公共預算財政撥款基本支出決算表
七、一般公共預算財政撥款“三公”經費支出決算
表
八、政府性基金預算財政撥款收入支出決算表
九、國有資產占用情況表
第三部分2019年度部門決算情況說明
一、收入決算情況說明
二、支出決算情況說明
三、財政撥款支出決算情況說明
四、一般公共預算財政撥款基本支出決算情況說明
五、一般公共預算財政撥款“三公”經費支出決算
情況說明
六、機關運行經費支出情況說明
七、政府采購支出情況說明
八、國有資產占用情況說明
九、預算績效情況說明
第四部分名詞解釋
第一部分大余縣林業局概況
一、部門主要職能
1、基本職能:大余縣林業局是縣政府組成部門,其主要職責是:(1)、貫徹執行國家關于林業建設發展的森林生態環境建設的方針、政策和法律、法規,研究制訂全縣林業發展規劃和計劃;指導全縣林業經濟改革,草擬有關政策和辦法,經批準后組織實施,并依法監督檢查;開展林業行政案件的審議應訴工作。
(2)、組織指導全縣植樹造林、國土綠化、防風防沙和各類林業基地及林業重點工程建設;擬訂造林育林和森林經營方面的技術規程和管理辦法,并做好貫徹落實;對國有林場、苗圃、森林公園和自然景觀景點實行宏觀管理。
(3)、指導全縣森林資源的調查、規劃、設計、動態監測及管理工作,組織編制、審核、報批森林采伐限額,并監督執行;監督木竹憑證采伐、憑證收購、憑證運輸等林政管理工作;依據《中華人民共和國森林法》、《中華人民共和國土地管理法》及省、市、縣有關法規、規定,負責林地、林權管理和征用、占用林地的審議,主管森林資源有償使用,監督林地開發利用,管理山林權屬爭議的調處工作。
(4)、對包括木竹生產、木竹加工、森林旅游、木本藥材、林木花卉在內的林業產業實行宏觀管理;管理林區公路;組織協調重點用材的調供工作;協調松香(含松脂)流通的宏觀調控、信息服務和市場建設;組織指導全縣森林工業的生產、基本建設、多種經營和技術改造工作。
(5)、按照有關規定,進行林業基本建設和技術改造項目的預審或審批,指導林業基本建設和技術改造工作;監督管理國有林業資產;指導全縣林業系統的財務審計工作;負責縣級林業基金的籌集和管理,監督全縣林業基金的管理和使用。
(6)、負責管理全縣森林和野生動植物類型保護區,主管全縣野生動、植物資源保護及合理開發利用;指導全縣森林公安工作和森林公安隊伍建設;指導、協調、監督查處破壞森林資源和野生動植物資源的重大案件;指導、檢查、監督和協調全縣森林防火工作和森林病蟲害防治檢疫工作,組織實施世行貸款造林項目。
(7)、組織制訂全縣林業科學技術發展規劃,組織科研項目攻關和科研成果的推廣運用;指導、管理全縣林業教育和專業人才培訓以及林業科技普及推廣工作。
(8)、會同有關部門管理全系統職工的勞動工資和林業專業技術人員、勞動保護、安全生產、思想政治工作及精神文明建設,指導全縣林業宣傳。
(9)、承辦縣政府交辦的其他事項。
2、機構設置
林業局內設6個職能股室(辦公室、林政資源管理股、營林股、生產經營股、財務審計股、產權交易中心)以及其他事項:(1)、管理縣人民政府調處山林權屬爭議辦公室、縣綠化委員會辦公室、縣世行貸款造林項目辦公室、縣林政管理稽查大隊、縣森林防火指揮部辦公室、縣森林公安局;(2)、縣林業技術推廣站、縣林業調查設計隊、縣森林病蟲害防治檢疫站為縣林業局下屬股級全額撥款事業單位;(3)縣專業森林消防隊為縣林業局下屬的股級全額撥款事業單位;(4)林業工作管理站11個:人、財、物歸林業局管理的全額撥款事業單位,使用鄉鎮事業編制44名;(5)大余縣梅關木材檢查站、大余縣浮江木材檢查站、大余縣吉村木材檢查站為縣林業局下屬股級全額撥款事業單位;(6)大余縣生態林場為縣林業局下屬股級全額撥款事業單位。
3、執行情況及完成情況
2019年是“十三五”規劃的第三年,也是規劃重點的一年,我局將緊緊圍繞和貫徹黨的十九大精神及縣委、縣政府的“1356”工作總思路,著力抓好5項工作即:
(一)、爭取更多的林業項目資金入戶我縣,積極爭取上級資金。
(二)、抓好林業產業發展:(1)圍繞著縣里精準脫貧攻堅戰,著力抓好油茶產業發展,以油茶產業帶動貧困人員脫貧致富;(2)抓好苗木產業、(3)是抓好毛竹產業,(4)抓好低質低效林項目,提升森林整體效益。
(三)、抓好林業生態建設:(1)、扎實開展好營造林工作建設,全面提升我縣森林質量;(2)、加強林政秩序監管,嚴厲打擊和查處破壞森林資源的違法犯罪行為;(3)、抓好章水國家級濕地公園的建設工作;(4)、開展省級森林城市創建及鄉村風景林建設;(5)、加強森林病蟲害、森林火災的防控,保護好我縣的青山綠水。
(四)、深化林業改革:(1)、抓好林業投資公司和庾嶺林場的經營,推進我縣林業經濟發展,(2)、抓好林權交易中心建設,規范集體林權交易行為,(3)、推進林業綜合保險工作,(4)、推進林業基層站所規范化建設,(5)、抓好林業產業扶貧工作。
二、部門基本情況
納入本套部門決算匯編范圍的單位共1個,包括:大余縣林業局(需按單位預算級次分別列出)。
本部門2019年年末實有人數161人,其中在職人員157人,離休人員0人,退休人員4人;年末其他人員99人;年末學生人數0人。
第二部分2019年度部門決算表









第三部分2019年度部門決算情況說明
一、收入決算情況說明
本部門2019年度收入總計8808.46萬元,其中年初結轉和結余1208.33萬元,較2018年增加633.76萬元,增長116.38%;本年收入合計7600.13萬元,較2018年增加4125.84萬元,增長118.75%,主要原因是:年初結余結轉資金增加4125.84萬元。
本年收入的具體構成為:財政撥款收入7557.33萬元,占99.44%;事業收入0萬元,占0%;經營收入0萬元,占0%;其他收入42.8萬元,占0.56%。
二、支出決算情況說明
本部門2019年度支出總計6311.49萬元,其中本年支出合計6311.49萬元,較2018年增加3470.96萬元,增長1.22%,主要原因是:森林培育支出當年支付;年末結轉和結余2496.96萬元,較2018年增加1288.63萬元,增長1.06%,主要原因是:森林培育支出支付延后。
本年支出的具體構成為:基本支出1568.03萬元,占25.84%;項目支出4743.46萬元,占75.16%;經營支出0萬元,占0%;其他支出(對附屬單位補助支出、上繳上級支出)0萬元,占0%。
三、財政撥款支出決算情況說明
本部門2019年度財政撥款本年支出年初預算數為6291.62萬元,決算數為6311.49萬元,完成年初預算的100%。其中:
(一)一般公共服務支出年初預算數為萬元,決算數為萬元,完成年初預算的%,主要原因是:無。
(二)公共安全支出年初預算數為萬元,決算數為萬元,完成年初預算的%,主要原因是:無。
(三)社會保障和就業支出年初預算數為210.35萬元,決算數為144.82萬元,完成年初預算的0.69%。
(四)衛生健康支出年初預算數為67.51萬元,決算數為53.45萬元,完成年初預算的0.79%,
(五)節能環保支出初預算數為0萬元,決算數為87.19萬元,完成年初預算的100%。
(六)城鄉社區支出初預算數為0萬元,決算數為1015.01萬元,完成年初預算的0.79%,主要原因是:政府性基金預算財政撥款。
(七)農林水支出初預算數為10889.91萬元,決算數為4912.64萬元(因預算時未區分城鄉社區支出),加上城鄉社區支出1015.01萬元,實際支出5927.65萬元,完成年初預算的54.43%,主要原因是:項目支出減少。
(八)住房保障支出初預算數為99.54萬元,決算數為98.38萬元,完成年初預算的0.99%,
四、一般公共預算財政撥款基本支出決算情況說明
本部門2019年度一般公共預算財政撥款基本支出1568.03萬元,其中:
(一)工資福利支出1103.3萬元,較2018年減少85.26萬元,下降7.17%,主要原因是:人員減少。
(二)商品和服務支出276.05萬元,較2018年減少18.76萬元,下降6.37%,主要原因是:節約了開支。
(三)對個人和家庭補助支出188.68萬元,較2018年減少374.02萬元,下降66.47%,主要原因是:績效考評獎勵減少。
(四)資本性支出0萬元,較2018年減少49.69萬元,下降100%,主要原因是:購置設備在固定資產科目反應。
五、一般公共預算財政撥款“三公”經費支出決算情況說明
本部門2019年度一般公共預算財政撥款“三公”經費支出年初預算數為57.4萬元,決算數為38.9萬元,完成年初預算的67.7%,決算數較2018年增加2.11萬元,增長0.05%,接待批次376批,人次2130人。其中:
(一)因公出國(境)支出年初預算數為0萬元,決算數為0萬元,完成年初預算的0%,決算數較2018年增加(減少)0萬元,增長(下降)0%。決算數較年初預算數增加(減少)的主要原因是:無。
(二)公務接待費支出年初預算數為40.4萬元,決算數為29.46萬元,完成年初預算的72%,決算數較2018年減少0.33萬元,減少0.01%。決算數較年初預算數增加的主要原因是:嚴格執行中央八項規定精神,從嚴控制公務接待費用支出。
(三)公務用車運行維護費支出年初預算數為17萬元,決算數為9.43萬元,完成年初預算的55.47%,決算數較2018年減少1.79萬元,減少0.18%。決算數較年初預算數減少的主要原因是:公務用車改革后嚴格使用公車管理。
六、機關運行經費支出情況說明
本部門2019年度機關運行經費支出914.88萬元(與部門決算中行政單位和參照公務員法管理事業單位一般公共預算財政撥款基本支出中公用經費之和保持一致),較年初預算數減少394.8萬元,(降低)0.43%,主要原因是:辦公設施設備購置經費(減少)294.4萬元,人員經費(減少)100.4萬元。
七、政府采購支出情況說明
本部門2019年度政府采購支出總額239.1749萬元,其中:政府采購貨物支出87.3449萬元、政府采購工程支出萬元、政府采購服務支出151.93萬元。授予中小企業合同金額69.9萬元,占政府采購支出總額的0.30%,其中:授予小微企業合同金額169.2749萬元,占政府采購支出總額的0.71%。(縣級部門公開的政府采購金額的計算口徑為:本部門納入2019年部門預算范圍的各項政府采購支出金額之和,不包括涉密采購項目的支出金額。)
八、國有資產占用情況說明。
截止2019年12月31日,本部門國有資產占用情況見公開09表《國有資產占用情況表》。其中車輛中的無其他用車。
九、預算績效情況說明
根據預算績效管理要求,我部門組織對2019年度一般公共預算項目支出全面開展績效自評,其中,一級項目0個,二級項目0個,共涉及資金0萬元,占一般公共預算項目支出總額的0%。組織對2019年度0個政府性基金預算項目支出開展績效自評,共涉及資金0萬元,占政府性基金預算項目支出總額的0%。
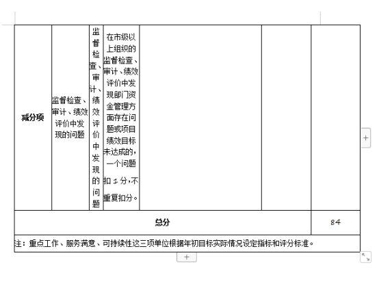
我部門(單位)開展整體支出績效評價,涉及一般公共預算支出6209.98萬元,政府性基金預算支出1015.00萬元。根據整體支出績效評價指標體系,2019年度評價得分為84分,因我部門沒有預算項目支出的項目,所以沒有開展績效整體績效評價自評表。








第四部分名詞解釋
一、收入科目
(一)財政撥款:指省級財政當年撥付的資金。
(二)事業收入:指事業單位開展專業業務活動及輔助活動取得的收入。
(三)事業單位經營收入:指事業單位在專業業務活動及輔助活動之外開展非獨立核算經營活動取得的收入。
(四)其他收入:指除財政補助撥款、事業收入、事業單位經營收入等以外的各項收入。
(五)附屬單位上繳收入:反映事業單位附屬的獨立核算單位按規定標準或比例繳納的各項收入。包括附屬的事業單位上繳的收入和附屬的企業上繳的利潤等。
(六)上級補助收入:反映事業單位從主管部門和上級單位取得的非財政補助收入。
(七)用事業單位基金彌補收支差額:填列事業單位用事業基金彌補2018年收支差額的數額。
(八)上年結轉和結余:填列2018年全部結轉和結余的資金數,包括當年結轉結余資金和歷年滾存結存結余資金。
二、支出科目
(一)一般公共服務支出(類)政府辦公廳(室)及相關機構事務(款)行政運行(項):反映行政單位(包括實行公務員管理的事業單位)的基本支出。
(二)一般公共服務支出(類)政府辦公廳(室)及相關機構事務(款)一般行政管理事務(項):反映行政單位(包括實行公務員管理的事業單位)未單獨設置項級科目的其他項目支出。
(三)一般公共服務支出(類)政府辦公廳(室)及相關機構事務(款)事業運行(項):反映事業單位的基本支出,不包括行政單位(包括實行公務員管理的事業單位)后勤服務中心、醫療室等附屬事業單位。
(四)一般公共服務支出(類)政府辦公廳(室)及相關機構事務(款)其他政府辦公廳(室)及相關機構事務事業運行(項):反映除上述項目以外的其他政府辦公廳(室)及相關機構事務支出。
(五)社會保障和就業支出(類)行政事業單位離退休(款)機關事業單位基本養老保險繳費支出(項):反映機關事業單位實施養老保險制度由單位繳納的基本養老保險費支出。
(六)醫療衛生與計劃生育支出(類)行政事業單位醫療(款)行政單位醫療(項):反映財政部門集中安排的行政單位基本醫療保險繳費經費,未參加醫療保險的行政單位的公費醫療經費,按國家規定享受離休人員、紅軍老戰士待遇人員的醫療經費。
(七)住房保障支出(類)住房改革支出(款)購房補貼(項):反映按房改政策規定,行政事業向符合條件職工(含離退休人員)、軍隊(含武警)向轉役復員離退休人員發放的用于購買住房的補貼。
(八)節能環保支出(類)能源節約利用(款)能源節約利用(項):反映用于能源節約利用方面的支出。
(九)“三公經費”:納入財政預決算管理的“三公”經費,是指部門用財政撥款安排的因公出國(境)費、公務用車購置及運行費和公務接待費。其中,因公出國(境)費反映單位公務出國(境)的國際旅費、國外城市間交通費、住宿費、伙食費、培訓費、公雜費等支出;公務用車購置及運行費反映單位公務用車車輛購置支出(含車輛購置稅)及租用費、燃料費、維修費、過路過橋費、保險費、安全獎勵費用等支出;公務接待費反映單位按規定開支的各類公務接待(含外賓接待)支出。
(十)機關運行經費:為保障行政單位(包括實行公務員管理的事業單位)運行用于購買貨物和服務的各項資金,包括辦公及印刷費、郵電費、差旅費、會議費、福利費、日常維修費、專用材料及一般設備購置費、辦公用房水電費、辦公用房取暖費、辦公用房物業管理費、公務用車運行維護費以及其他費用。
